高精度NC旋轉工作台技術與應用解析 #
TD-170P NC旋轉工作台(0.001度)屬於右手標準型系列,專為高精度加工與靈活定位設計。其主要特點如下:
- 高精密交叉滾柱軸承:確保運轉穩定與高精度。
- 氣壓鎖緊系統:採用全面碟式剎車(台灣專利號碼:217736),大幅提升鎖緊力,增強耐切削能力。
- 進口雙導程蝸桿蝸輪組:傳動定位精度高,背隙調整容易,提升加工品質。
- 伺服馬達驅動:定位快速、精準且低噪音,適合任意角度加工需求。
- 多元連線應用:可與CNC機器連線成為第四軸,或搭配可編程控制器作為附加軸使用。
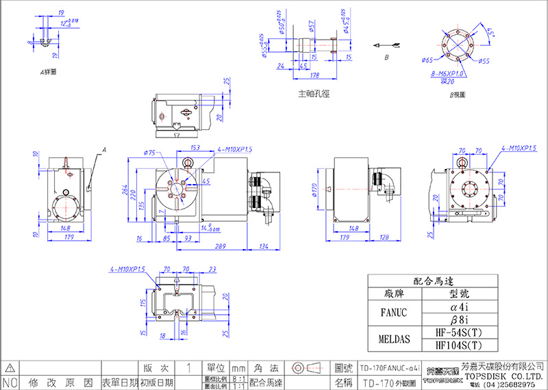
主要規格 #
| 項目 | 規格說明 |
|---|---|
| 使用方法 | 可立橫兩用 |
| 鎖緊方式 | 氣壓 5kg/cm² |
| 盤面尺寸 | Ø170mm |
| 貫穿孔徑 | Ø45mm |
| 圓盤中心孔徑 | Ø50H7mm |
| 中心高度 | 135mm |
| 盤面T型槽寬度 | 12H7mm |
| 定位鍵 | 14h7mm |
| 伺服馬達 | • 發那科 α4i / β8i • 三菱 HF54T |
| 總減速比 | 依機構不同有 1/72 及 1/90 |
| 最小設定單位 | 0.001° |
| 累積分割精度 | 30弧秒 |
| 重覆精度 | 4弧秒 |
| 鎖緊力 | 16kgf-m |
| 蝸輪最大切削力 | 27kgf-m |
| 最大負載 | 垂直(使用尾座) 75(150)kg / 水平 150kg |
| 淨重(不含馬達) | 40kg |
產品圖片 #



相關產品 #
如需更多產品資訊或技術支援,歡迎聯絡芳嘉天碟。
地址:台中市大雅區神林南路220號
電話:886-4-25682975
傳真:886-4-25681016
Email:sales@topsdisk.com